MSX DOS 2
MSX DOS 2
For more information on MSX DOS 2 do-it-yourself see the page Dos and disks
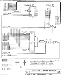
ASCII MSX-DOS2 and 256k memory mapper cartridge
With thanks to Jipe (Jean Pierre Dubois) images and circuit diagram of the ASCII MSX DOS 2
MSX DOS 2 ROMS (2.1.2.2.2.3 english and japanese disks)



